TARiHTE BUGÜN
YENİ
2026: İlber Ortaylı Hayatını Kaybetti 2026: Berlin'de Elektrik Sabotajı 2026: Venezuela Devlet Başkanı Nicolás Maduro Operasyonu 2026: Kış Olimpiyatları İtalya'da Başladı 2025: Ferdi Tayfur hayatını kaybetti 2024: Genco Erkal hayatını kaybetti 2024: Hamas lideri İsmail Haniye suikasti 2024: Kenan Işık hayatını kaybetti 2024: Erkan Yolaç hayatını kaybetti 2024: Ayten Gökçer Hayatını Kaybetti 2024: Ayla Algan hayatını kaybetti 2023: Türkiye Kadın Milli Voleybol Takımı Filenin Sultanları Avrupa Şampiyonu Oldu 2023: Erkin Koray hayatını kaybetti. 2023: Voleybol Milletler Ligi Şampiyonu Filenin Sultanları Oldu Türkiye Altın Madalya Aldı 2023: Özkan Uğur hayatını kaybetti!
2026: İlber Ortaylı Hayatını Kaybetti 2026: Berlin'de Elektrik Sabotajı 2026: Venezuela Devlet Başkanı Nicolás Maduro Operasyonu 2026: Kış Olimpiyatları İtalya'da Başladı 2025: Ferdi Tayfur hayatını kaybetti 2024: Genco Erkal hayatını kaybetti 2024: Hamas lideri İsmail Haniye suikasti 2024: Kenan Işık hayatını kaybetti 2024: Erkan Yolaç hayatını kaybetti 2024: Ayten Gökçer Hayatını Kaybetti 2024: Ayla Algan hayatını kaybetti 2023: Türkiye Kadın Milli Voleybol Takımı Filenin Sultanları Avrupa Şampiyonu Oldu 2023: Erkin Koray hayatını kaybetti. 2023: Voleybol Milletler Ligi Şampiyonu Filenin Sultanları Oldu Türkiye Altın Madalya Aldı 2023: Özkan Uğur hayatını kaybetti!

19 Mart Günlüğü

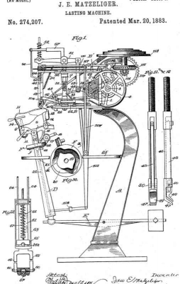
Jan E. Matzeliger’in Ayakkabı İmalat Makinesi İcadı
Öne Çıkan 19 Mart 1883

Jan E. Matzeliger’in Ayakkabı İmalat Makinesi İcadı

Siyah Amerikalı ayakkabı ustası Jan E. Matzeliger, ayakkabıyı bir bütün olarak imal eden ilk makineyi icat ederek üretim sürecini otomatize etti ve ay...

Detayları Oku

Görsel Arşiv

Tüm Kayıtlar

19 Mar 1883
Jan E. Matzeliger’in Ayakkabı İmalat Makinesi İcadı

Siyah Amerikalı ayakkabı ustası Jan E. Matzeliger, ayakkabıyı bir bütün olarak imal eden ilk makineyi icat ederek üretim sürecini otomatize etti ve ayakkabı sanayisinde devrim yarattı.

19 Mar 1915
Plüton’un İlk Kez Fotoğraflanması ve Tespit Edilememesi

Güneş sisteminin gizemli üyelerinden Plüton'un ilk fotoğrafı çekildi ancak nesnenin yeni bir gezegen olduğu o dönemdeki teknik yetersizlikler nedeniyle fark edilemedi.

19 Mar 1955
Liselerde Bitirme ve Olgunluk Sınavlarının Kaldırılarak Devlet Lise Sınavı’nın Getirilmesi

Liselerde uygulanan bitirme ve olgunluk sınavları kaldırılarak yerine tüm öğrencilerin sorumlu tutulduğu "Devlet Lise Sınavı" adıyla tek bir merkezi sınav sistemi getirilmiştir.

19 Mar 1955
Erol Güney'in Türkiye Cumhuriyeti Vatandaşlığından Çıkarılması

Agence France-Presse (AFP) Ankara temsilcisi gazeteci ve çevirmen Erol Güney, Bakanlar Kurulu kararıyla Türkiye Cumhuriyeti vatandaşlığından çıkarılarak sınır dışı edildi.

19 Mar 1959
İstanbul Valiliği'nin Büyük Doğu Dergisi Kararı ve Miting Yasağı

İstanbul Valiliği, Büyük Doğu dergisini protesto etmek amacıyla düzenlenmek istenen mitinge izin vermedi ve dergi içeriğine yönelik kapsamlı bir adli soruşturma başlatıldığını kamuoyuna duyurdu.

19 Mar 1960
Yeni Kadıköy İskelesi ve İstanbul Belediyesi Şehir Operası'nın Açılışı

İstanbul’un ulaşım ve kültür hayatında önemli bir dönüm noktası olan modern Yeni Kadıköy İskelesi ile İstanbul Belediyesi Şehir Operası düzenlenen törenle eş zamanlı olarak hizmete açıldı.

19 Mar 1964
Hatay'da Nurcuların Tutuklanması ve Cumhurbaşkanı Cemal Gürsel'in Açıklamaları

Hatay'da gerçekleştirilen operasyonda yirmi bir Nurcu tutuklanırken, Cumhurbaşkanı Cemal Gürsel yaptığı açıklamada söz konusu grubun düşman bir devlet tarafından desteklendiğini ifade etti.

19 Mar 1965
Merzifon Çeltek Maden Faciası

Amasya'nın Merzifon ilçesindeki Çeltek Linyit İşletmesi'nde meydana gelen grizu patlamasında 69 maden işçisi hayatını kaybetti, 58 işçi ise yaralandı.

19 Mar 1965
Endonezya'da Yabancı Petrol Şirketlerinin Millileştirilmesi

Endonezya, ulusal egemenlik ve ekonomik bağımsızlık politikaları doğrultusunda ülkede faaliyet gösteren tüm yabancı petrol şirketlerini devletleştirerek enerji kaynakları üzerindeki tam kontrolü sağladı.

19 Mar 1966
Milli Türk Talebe Birliği Komünizmi Telin Mitingi

Milli Türk Talebe Birliği tarafından İstanbul'da düzenlenen Komünizmi Telin Mitingi, dönemin yükselen sol hareketlerine karşı sağ cenahın tepkisini ortaya koyan kitlesel bir eylem olarak tarihe geçti.

Doğumlar

13

Ölümler

13

TB Keşfet
Tarihte Bugün Hesabım